Encuentre su pieza
 
# Detalles de la pieza Precio
(cada uno)
Cantidad en
Diagrama
Añadir a la cesta
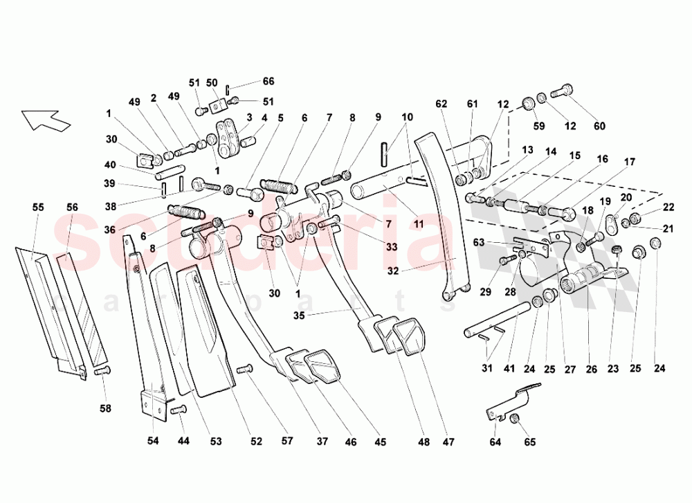
001 N01152722
ARANDELA 10,5X21X2
€13.58 4
002 410721966
PERIODISTA
€156.14 1
003 410721385
PALANCA
€90.01 1
004 410721164A
BUJE
€10.18 1
005 410721993
ACOPLAMIENTO DE RÓTULA
€58.80 1
006 410721363
MUELLE
€135.77 2
007 410721443
BUJE
€186.95 2
008 410721671
MANGUITO DE AJUSTE
€18.64 2
009 N01100637
TUERCA M6
EN EXISTENCIA
€0.25 (34.2% off) 2
010 WHT003109
PIN
EN EXISTENCIA
€0.96 2
011 413721325
PERIODISTA
€2,683.92 1
012 WHT002631
ARANDELA 8X12X1
€25.43 2
013 400721214E
CABEZA DE RÓTULA (ROSCA IZQUIERDA)
€49.29 1
014 N10690001
TUERCA (ROSCA IZQUIERDA)
€409.37 1
015 400721743A
EJE
€31.02 1
016 N10689901
TUERCA M5
€0.06 1
017 400721214D
CABEZA DE RÓTULA
€33.73 1
018 N01100845
TUERCA HEXAGONAL
EN EXISTENCIA
€1.47 1
019 N01033520
TORNILLO M8X35
EN EXISTENCIA
€1.20 1
020 400721728C
PALANCA
€165.53 1
022 N02300212
TUERCA M6
€0.23 1
023 N10609202
TUERCA DE CUELLO HEXAGONAL
EN EXISTENCIA
€0.29 2
024 WHT000697
ARANDELA
€0.76 2
025 410721543
BUJE
€24.28 2
026 400721651A
SOPORTE
€437.58 1
027 400907475A
POTENCIÓMETRO
€1,435.95 1
028 N0115578
ARANDELA 6X12X1
€1.35 2
029 N10546402
TORNILLO DE CABEZA HUECA HEXAGONAL
€0.58 2
030 N0126483
CLIP
€3.05 2
031 N10206801
PIN
€0.52 2
032 400721507A
PEDAL DEL ACELERADOR
€1,879.78 1
033 410721147
PERIODISTA
€220.88 1
035 413721145B
PEDAL DE FRENO
€2,751.80 1
036 N10155210
TUERCA
€1.52 1
037 413721321B
PEDAL DE EMBRAGUE
€1,707.47 1
038 410721645
TIE ROD
€62.88 1
039 N0133481
PASADOR DEL MUELLE
EN EXISTENCIA
€0.21 1
040 410721965
PERIODISTA
€23.13 1
041 400721157
PERIODISTA
€25.49 1
044 N90780901
TORNILLO DE CABEZA HUECA HEXAGONAL OVALADA
EN EXISTENCIA
€0.23 1
045 400721779
CUBIERTA
€474.12 1
046 400721173
CUBIERTA
€26.69 1
048 400721174C
CUBIERTA
€269.92 1
049 410721134A
BUJE
€173.90 1
050 410721255
BLOQUE
€51.23 1
051 410721379
TORNILLO
€35.31 1
052 413864419
REPOSAPIÉS LADO CONDUCTOR
€2,971.12 1
053 401864431
ALFOMBRA DE GOMA PARA LOS PIES
€16.98 1
054 413864775B
SOPORTE
€87.84 1
057 WHT003068
TORNILLO AVELLANADO
EN EXISTENCIA
€1.11 2
059 410721427
RÓTULA DE BOLA
€69.55 1
060 WHT003270
PERIODISTA
€36.35 1
061 N90179103
ARANDELA 18X8,4X2,5
EN EXISTENCIA
€1.20 1
062 N0111849
TUERCA
EN EXISTENCIA
€1.67 1
063 410971806
SOPORTE
€26.48 1
066 N0133311
PIN 2.0X12.0
€0.16 2